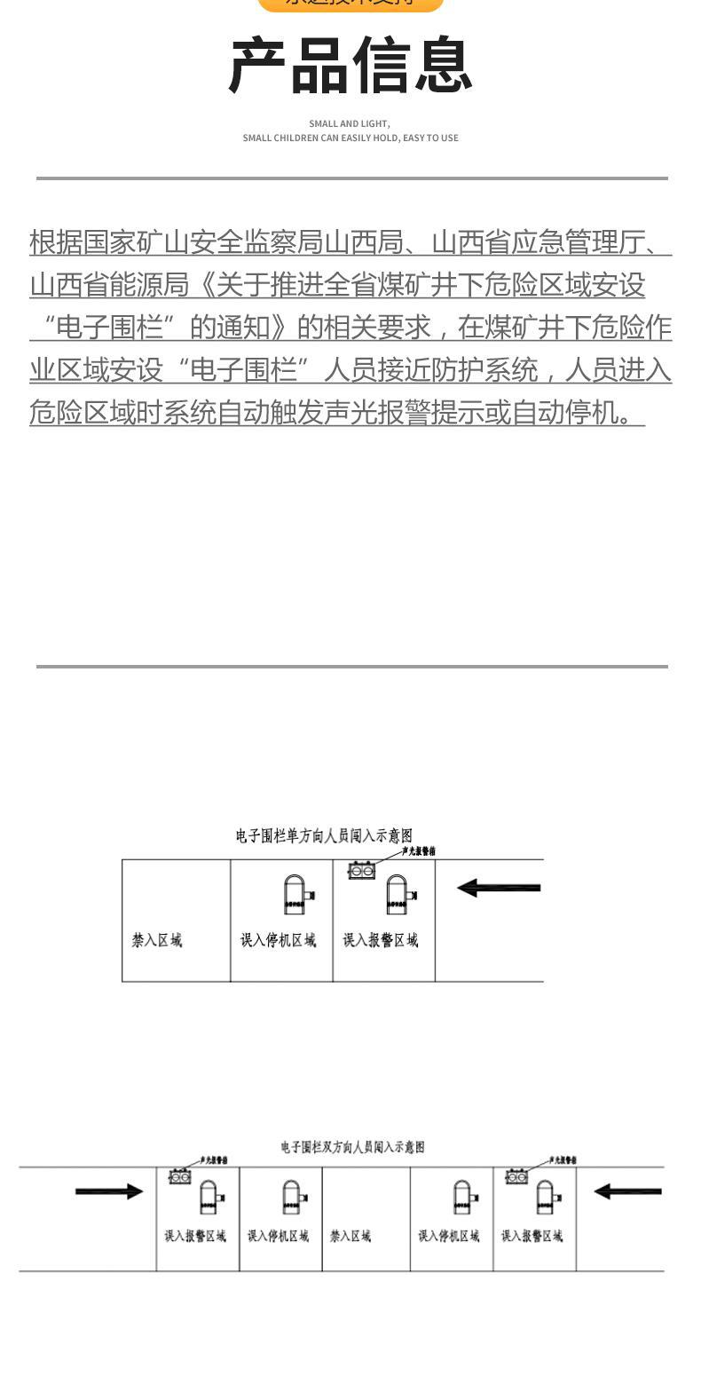
煤矿井下机械设备人员接近报警装置生产厂家 ZJB127煤矿电子围栏










原文链接:http://www.blgl8.com/news/30032.html,转载和复制请保留此链接。
以上就是关于井下机械设备人员接近报警装置厂家 ZJB127煤矿电子围栏全部的内容,关注我们,带您了解更多相关内容。
以上就是关于井下机械设备人员接近报警装置厂家 ZJB127煤矿电子围栏全部的内容,关注我们,带您了解更多相关内容。
特别提示:本信息由相关用户自行提供,真实性未证实,仅供参考。请谨慎采用,风险自负。




